服务热线:
4008868322
AG九游会
联系方式
广州市智力通机电(AG九游会)登录入口
联系人:李先生
电话:13802773442 020-81600059
邮箱:sale@zhilitong.com
地址:广州市荔湾区龙溪大道凤西二路9号之三
网址:www.lymeilijie.com

楔形工具

楔形工具
AG九游会·登录大厅详情

楔形工具ZLT-W1

AG九游会·登录大厅概述:

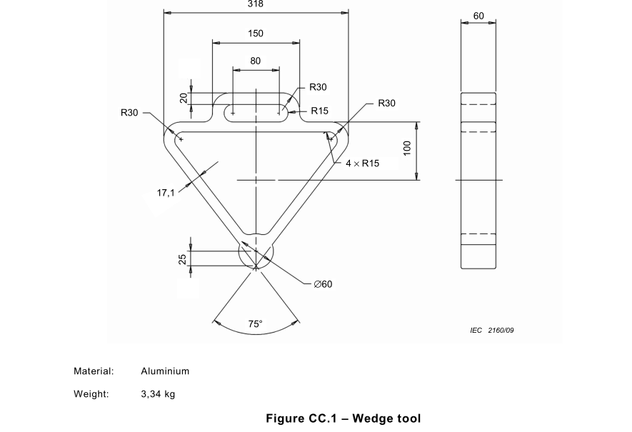
       楔形工具符合IEC60601-2-52图CC.1,用于评估医疗器械的V型开口风险程度,被测区域是B和C的V形开口,此工具材质为铝,质量为3.34KG。

        

热门标签: 楔形工具
留言板
相关AG九游会·登录大厅